Коробка распределительная «КР-01» предназначена для:
транзита и подключения 2-х проводных интерфейсных линий связи (RS485 или M-BUS) к 4-м счетчикам и является пассивным соединительным устройством.
Область применения коробки распределительной КР-01:
системы АСКУЭ бытовых потребителей и промышленных предприятий.
Коробка распределительная состоит из:
- -пластмассового основания с крепежными отверстиями
- -пластмассовой крышки с отверстием для крепления к основанию
- -Печатной платы с клеммами для подключения проводников, установленной на основании
Характеристики коробки распределительной КР-01:
|
Наименование характеристики
|
Значение параметра |
| Тип контакта | Зажимной |
| Максимальное рабочее напряжение, В | 42 |
| Максимальный ток, А | 0,5 |
| Максимальное сечение зажимного провода, мм2 | 1,5 |
| Предельный рабочий диапазон температур, ° С | От минус 25 до плюс 55 |
| Относительная влажность воздуха при 25 °С, не более, % | 98 |
| Степень защиты оболочки по ГОСТ 14254-96 | IP41 |
| Средний срок службы, лет, не менее | 24 |
| Материал корпуса | Пластик |
| Габаритные размеры, не более, мм | 60х60х30 |
| Масса, не более, кг | 0,1 |

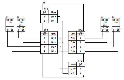
А1 - Коробка распределитльная "КП-01"
Р1-Р4 - Счетчик статический активной энергии однофазный "Гран-Электро СС-101-120" ( с интерфейсом М- Вus)*
* - могут использоваться различные приборы учета энергоресурсов
Установка и монтаж коробки распределительной КР-01:
1. Снять крышку и закрепить корпус коробки на вертикальной или горизонтальной поверхности, кронштейне или установочных линейках в распределительном шкафу шурупами или винтами через крепежные отверстия в основании.
2. В соответствии с рисунком 1 подключить к контактам «+» и «-» клемм необходимое количество проводников витых пар подводимых кабелей;
3. Разделку оболочки кабеля и концов проводников витых пар производить с учетом оптимальной укладки проводников внутри коробки;
4.При необходимости соблюдать расположение проводников «+» и «-»;
5.Установить крышку на основание и закрепить ее с помощью шурупа.